NBCHAO.Com SN: NB025531

Teelen SZ6000B Continuous Diploidy Microscope

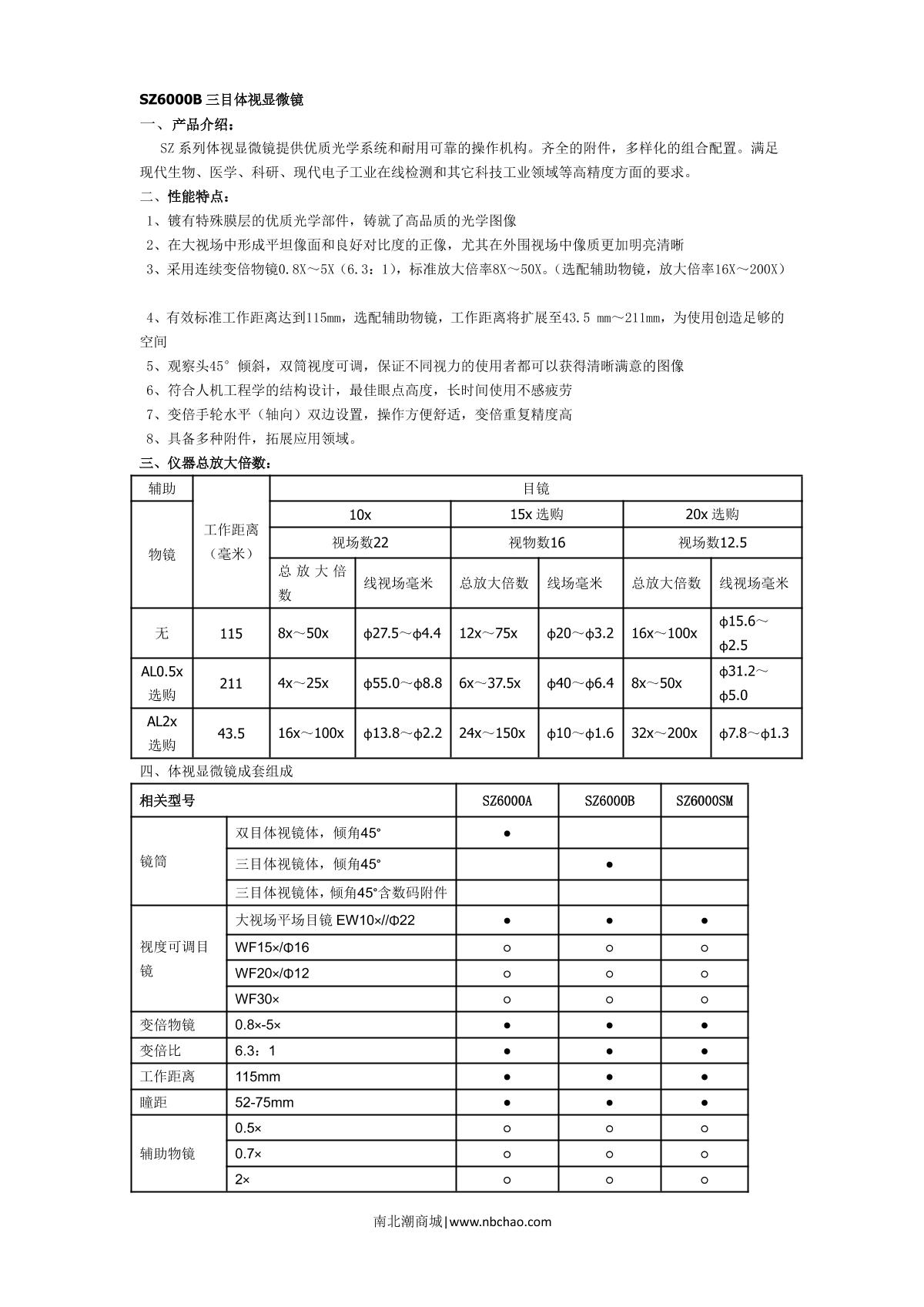
TEELEN SZ6000B Trinocular Continuous Diploidy Microscope lens barrel is a trinocular lens body, tilt angle 45 °, visibility adjustable eyepiece large field flat field eyepiece EW10 ×//φ 22, zoom objective 0.8 × -5 ×, zoom ratio 6.3:1, working distance 115mm, pupil distance 52-75mm, the stage is inserted into the transparent Glass disc with a diameter of 125mm.

Teelen SZ6000B Continuous Diploidy MicroscopeKey Spec.

SZ6000B Continuous Diploidy Microscope
Details
Teelen SZ6000B Continuous Diploidy Microscope brochure page 1
Teelen SZ6000B Continuous Diploidy Microscope brochure page 2