NBCHAO.Com SN: NB025532

Teelen SZ6000SM Continuous Diploidy Microscope

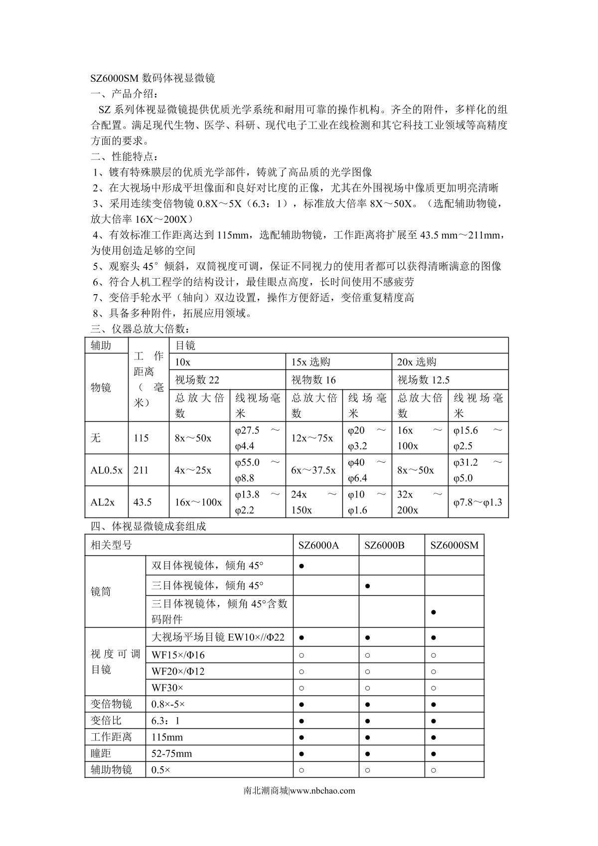
TEELEN SZ6000B trinocular continuous variable magnification microscope lens barrel is a trinocular lens body, tilt angle 45 °, visibility adjustable eyepiece large field flat field eyepiece EW10 ×//φ 22, variable magnification objective 0.8 × -5 ×, variable magnification ratio 6.3:1, working distance 115mm, pupil distance 52-75mm, the stage is inserted into the transparent Glass disc with a diameter of 125mm, equipped with a set of UC500 cameras.

Teelen SZ6000SM Continuous Diploidy MicroscopeKey Spec.

SZ6000SM Continuous Diploidy Microscope
Details
Teelen SZ6000SM Continuous Diploidy Microscope brochure page 1
Teelen SZ6000SM Continuous Diploidy Microscope brochure page 2