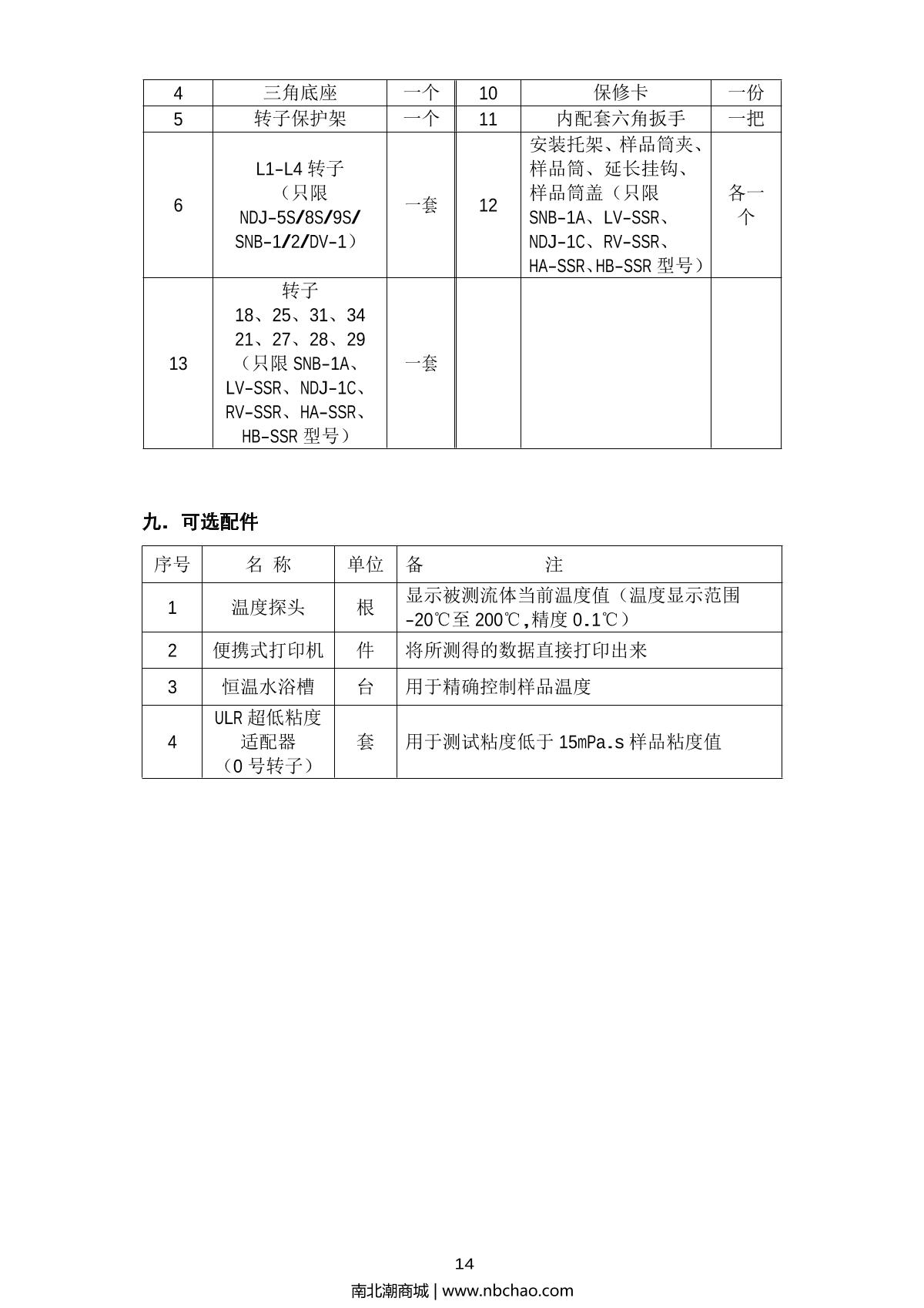
NBCHAO.Com SN: NB029659

FangRui RV-SSR Viscometer

FANGRUI R-SSR digital Viscometer comes standard with four rotors: 21 #, 27 #, 28 #, and 29 #. The measurement Viscosity range is 50~2000000mPa·s. If the Viscosity test is lower than 50mPa·s, a No. 0 rotor needs to be purchased. The RV-SSR adopts a backlit LCD digital display screen and provides 2 RS232 data interfaces.

FangRui RV-SSR ViscometerKey Spec.

Display
Backlit LCD, digital display
Measuring range
5~2000000mPa·s
Measurement Accuracy
±2%
Capacity
7.8~11.5ml
RV-SSR Viscometer
Details
FangRui RV-SSR ViscometerManual page 1
FangRui RV-SSR ViscometerManual page 2
FangRui RV-SSR ViscometerManual page 3
FangRui RV-SSR ViscometerManual page 4
FangRui RV-SSR ViscometerManual page 5
10 page unread, continue reading?
This manual is collected and sorted by the NBCLab, and does not guarantee the timeliness and accuracy. It is only for reference.
Continue to read