NBCHAO.Com SN: NB009353

Suoguang WYA-2W Binocular Abbe refractometer

SUOGUANG WYA-2W binocular Abbe refractometer is used to measure the refractive index and the hammer degree of sugar solution. Measuring accuracy of WYA-2W binocular Abbe refractometer is +/- 0.0002nD, using stainless steel base, good durability.

Suoguang WYA-2W Binocular Abbe refractometerKey Spec.

ND Measurement range
1.3000~1.7000nD
Brix Measurement range
0~95%Brix
WYA-2W Binocular Abbe refractometer
Details
Suoguang WYA-2W Binocular Abbe refractometerManual page 1
Suoguang WYA-2W Binocular Abbe refractometerManual page 2
Suoguang WYA-2W Binocular Abbe refractometerManual page 3
Suoguang WYA-2W Binocular Abbe refractometerManual page 4
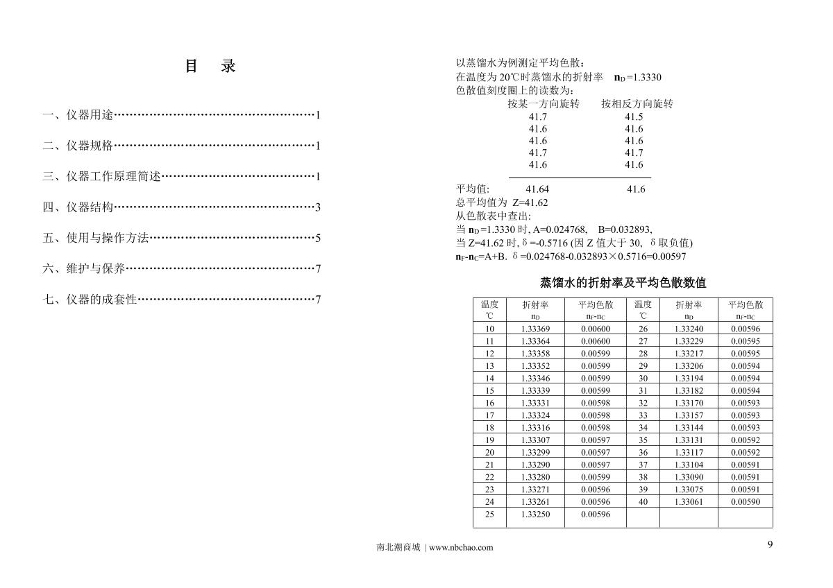
Suoguang WYA-2W Binocular Abbe refractometerManual page 5
1 page unread, continue reading?
This manual is collected and sorted by the NBCLab, and does not guarantee the timeliness and accuracy. It is only for reference.
Continue to read