NBCHAO.Com SN: NB009355

Suoguang WYL-2 stress gauge

The internal stress of Glass and Miscellaneous transparent materials is analyzed by SUOGUANG WYL-2 stress analyzer. The measuring range of WYL-2 stress analyzer is ≤ 560nm.

Suoguang WYL-2 stress gaugeKey Spec.

WYL-2 stress gauge
Details
Suoguang WYL-2 stress gaugeManual page 1
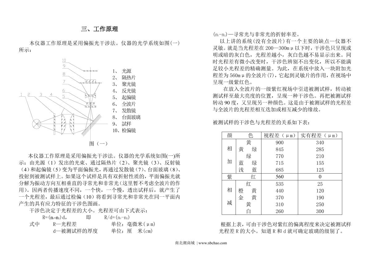
Suoguang WYL-2 stress gaugeManual page 2
Suoguang WYL-2 stress gaugeManual page 3
Suoguang WYL-2 stress gaugeManual page 4
Suoguang WYL-2 stress gaugeManual page 5