NBCHAO.Com SN: NB001463

AMITTARI HBa-1 Pasteur Hardness Gauge

HBA-1 digital Barb Hardness Gauge is a new indentation digital Barb Hardness Gauge designed by AMITTARI, HBA-1 is used in the aluminum processing industry, HBA-1 digital Barb Hardness Gauge test Hardness range is 0~100 HBa.

AMITTARI HBa-1 Pasteur Hardness GaugeKey Spec.

HBa-1 Pasteur Hardness Gauge
Details
AMITTARI HBa-1 Pasteur Hardness GaugeManual page 1
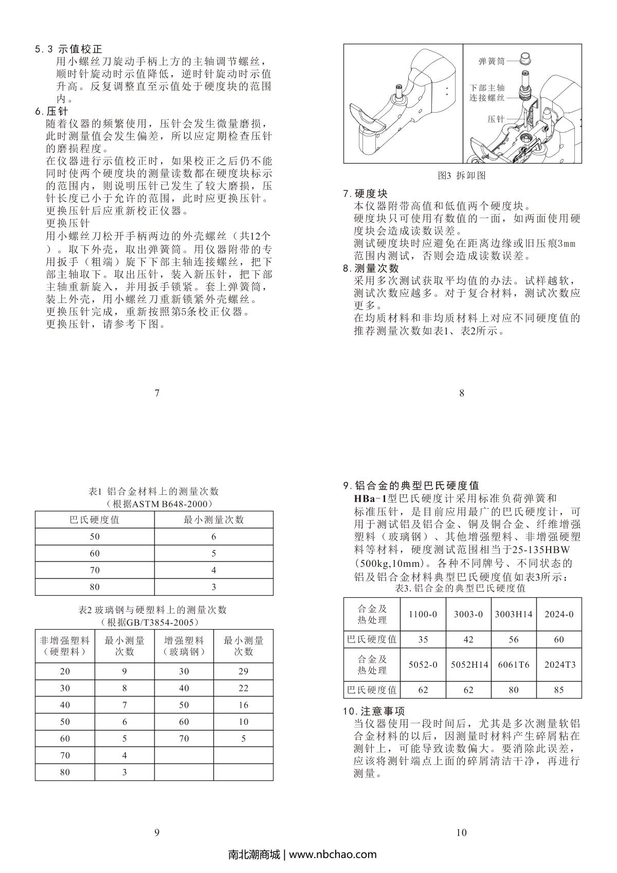
AMITTARI HBa-1 Pasteur Hardness GaugeManual page 2
AMITTARI HBa-1 Pasteur Hardness GaugeManual page 3
AMITTARI HBa-1 Pasteur Hardness GaugeManual page 4