NBCHAO.Com SN: NB014813

Bante A150-UK Laboratory conductivity /TDS/salinity/resistivity meter

BANTE A150-UK Laboratory conductivity /TDS/salinity/resistivity/Conductivity Detector Ash meter Professional laboratory Conductivity Meter, including 5 measurement functions, 1000 sets of data storage, the meter is suitable for measurement of liquid conductivity, total dissolved solids (TDS), salinity, resistivity and Conductivity Detector ash score, Measurement accuracy: 0.5% F.S.

Bante A150-UK Laboratory conductivity /TDS/salinity/resistivity meterKey Spec.

Measuring range
0.01~20mS/cm
A150-UK Laboratory conductivity /TDS/salinity/resistivity meter
Details
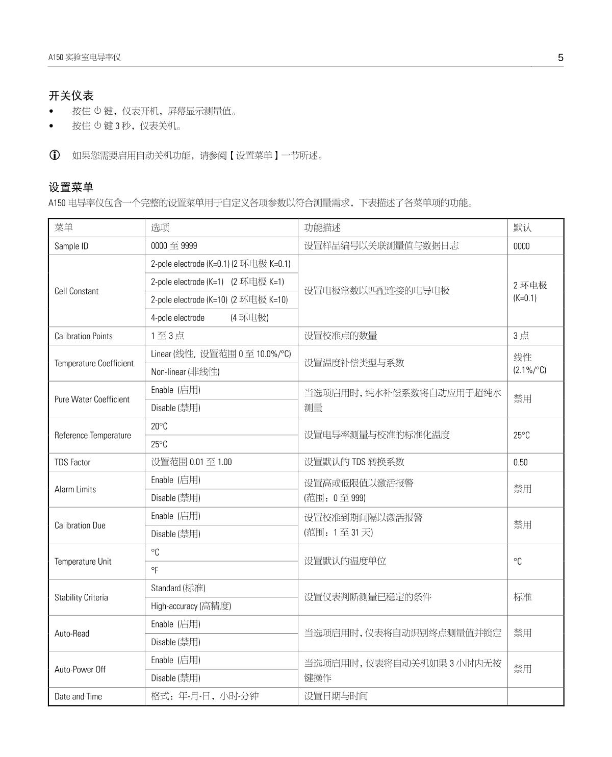
Bante A150-UK Laboratory conductivity /TDS/salinity/resistivity meterManual page 1
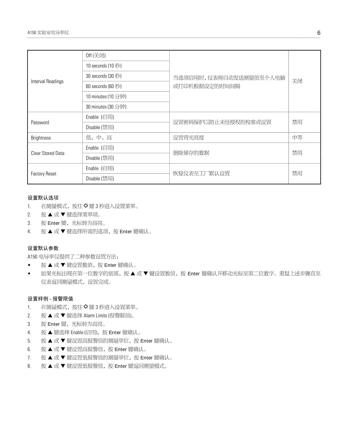
Bante A150-UK Laboratory conductivity /TDS/salinity/resistivity meterManual page 2
Bante A150-UK Laboratory conductivity /TDS/salinity/resistivity meterManual page 3
Bante A150-UK Laboratory conductivity /TDS/salinity/resistivity meterManual page 4
Bante A150-UK Laboratory conductivity /TDS/salinity/resistivity meterManual page 5
18 page unread, continue reading?
This manual is collected and sorted by the NBCLab, and does not guarantee the timeliness and accuracy. It is only for reference.
Continue to read