Category
Brand
Knowledge
Standard
NBCHAO.Com SN: NB019408
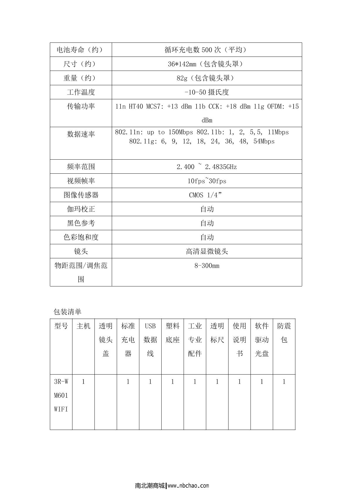
Anyty 3R-WM601WIFI Microscope
Anyty 3R-WM601WIFI wireless digital Microscope can be enlarged 450 times to 600 times. It is a wifi Microscope that can be shared by many people. The object distance range of 3R-WM601WIFI is 8 to 300 mm.
Anyty 3R-WM601WIFI Microscope
Key Spec.
Adjustable magnification
450 times to 600 times
3R-WM601WIFI Microscope
Details
3 page unread, continue reading?
This literature is collected and sorted by the NBCLab, and does not guarantee the timeliness and accuracy. It is only for reference.
Continue to read
Recommended for more literature
1
Teelen DXS-1 Inverted Biological Microscope brochure
2
Teelen TL-1530 Polarizing Microscope brochure
3
Teelen TL3201 Fluorescence Microscope brochure
4
Teelen TL3200B Built-in Digital Biological Microscope brochure
5
Teelen 15J Measurement Microscope brochure
6
Teelen H-694CICE Microscope dedicated camera brochure
7
Anyty 3R-MSA600S(8GB) Portable Video Microscope brochure
8
Teelen XTL-302BD Light and Dark Field Upright Metallurgical Microscopy brochure
9
Teelen XTL-206B Continuous Diploidy Microscope brochure
10
Teelen PXS-1020 Stereo Microscope brochure
©NBCLab.Com