NBCHAO.Com SN: NB001513

JingKeLian QTZ Conical Mandrel Bending Tester

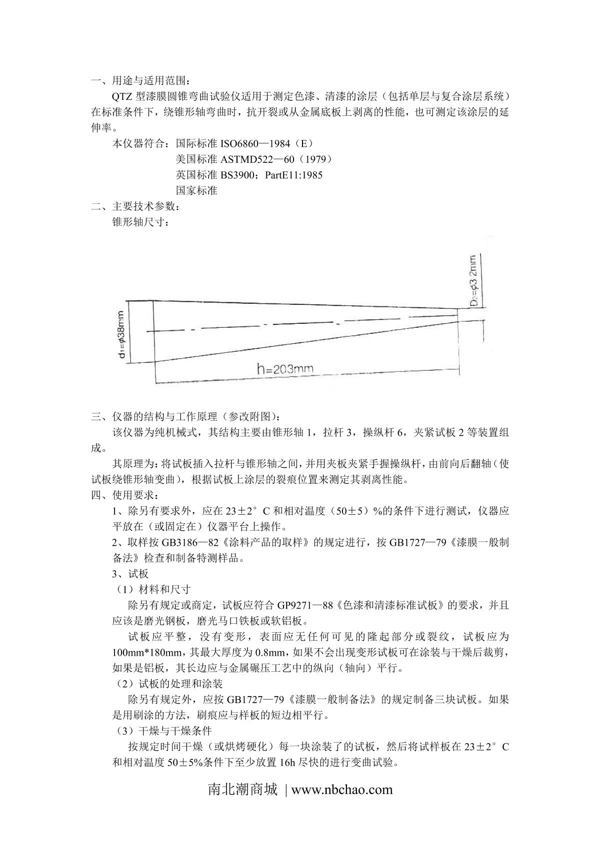
QTZ paint film Conical Mandrel Bending Tester is JINGKELIAN according to the multi-national standard production of paint film Conical Mandrel Bending Tester, QTZ paint film Conical Mandrel Bending Tester is a pure mechanical structure, QTZ is used to determine the coating cracking resistance performance or coating elongation.

JingKeLian QTZ Conical Mandrel Bending TesterKey Spec.

Film thickness
≤0.8mm
QTZ Conical Mandrel Bending Tester
Details
JingKeLian QTZ Conical Mandrel Bending TesterManual page 1
JingKeLian QTZ Conical Mandrel Bending TesterManual page 2
JingKeLian QTZ Conical Mandrel Bending TesterManual page 3