NBCHAO.Com SN: NB009354

Suoguang WYA-2S Digital Abbe refractometer

SUOGUANG WYA-2S digital Abbe refractometer is a digital Abbe refractometer with printing interface. The WYA-2S Measurement range is 3000-1.7000 nD, 0~95% Brix, and the liquid crystal display is intuitive and clear.

Suoguang WYA-2S Digital Abbe refractometerKey Spec.

ND Measurement range
1.3000~1.7000nD
Brix Measurement range
0~100%Brix
WYA-2S Digital Abbe refractometer
Details
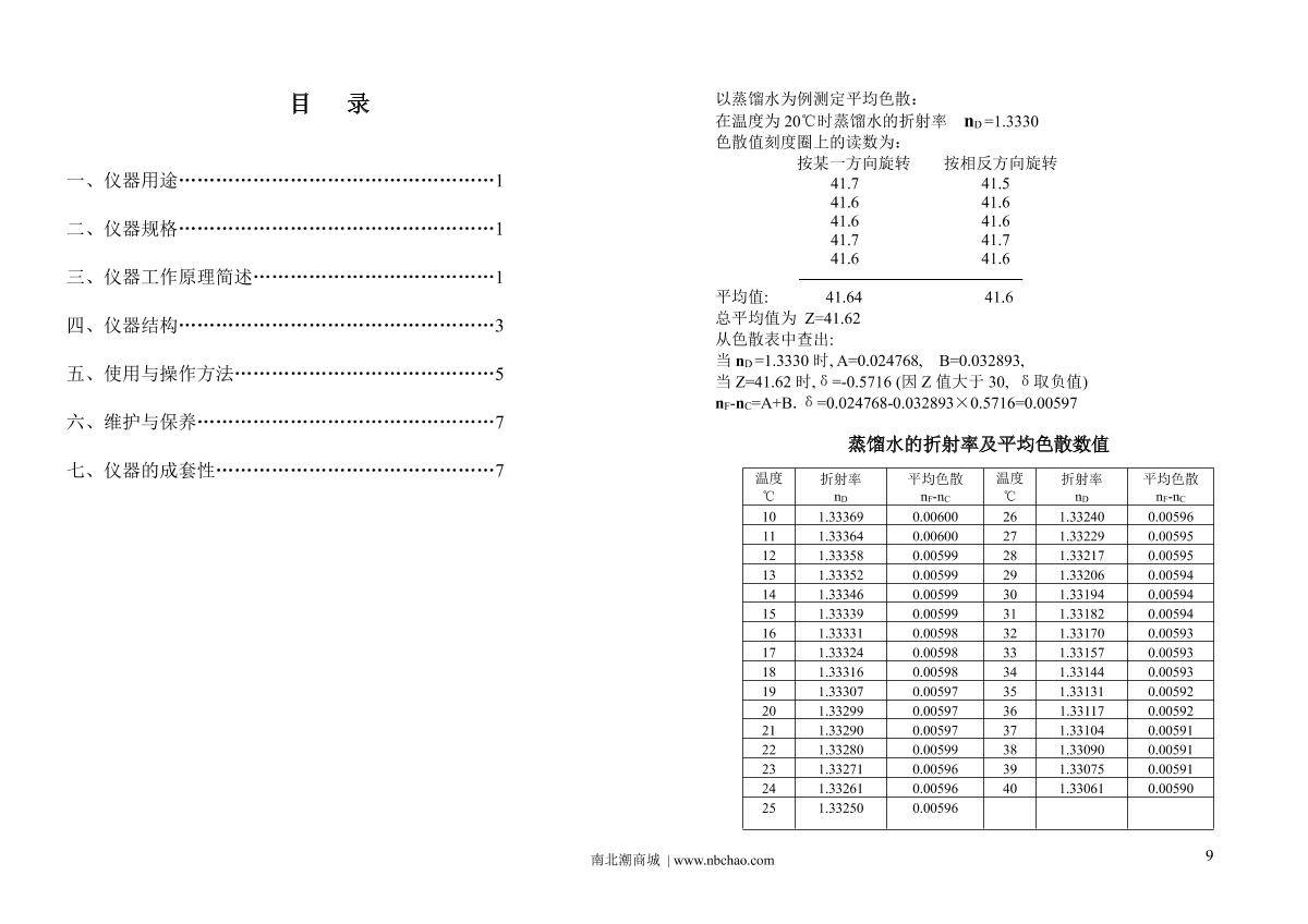
Suoguang WYA-2S Digital Abbe refractometerManual page 1
Suoguang WYA-2S Digital Abbe refractometerManual page 2
Suoguang WYA-2S Digital Abbe refractometerManual page 3
Suoguang WYA-2S Digital Abbe refractometerManual page 4
Suoguang WYA-2S Digital Abbe refractometerManual page 5
1 page unread, continue reading?
This manual is collected and sorted by the NBCLab, and does not guarantee the timeliness and accuracy. It is only for reference.
Continue to read